开云·Kaiyun(中国)官方网站-体育竞技领航者

Kaiyun体育网站:橡胶软管爆破压力试验机的设计与研制-开云Kaiyun中国体育官方入口
Kaiyun体育网站:橡胶软管爆破压力试验机的设计与研制
栏目:业界资讯 发布时间:2026-01-11
  橡胶软管爆破压力试验机可以完成常温爆破试验、高温爆破试验、高低温冲击试验。系统设置单独的排液系统,可以方便的进行系统清洗、充液、换液和试验件的拆装,

  橡胶软管爆破压力试验机可以完成常温爆破试验、高温爆破试验、高低温冲击试验。系统设置单独的排液系统,可以方便的进行系统清洗、充液、换液和试验件的拆装,具备介质回收功能。下面,我们了解一下该产品的技术要求。

Kaiyun体育网站:橡胶软管爆破压力试验机的设计与研制(图1)

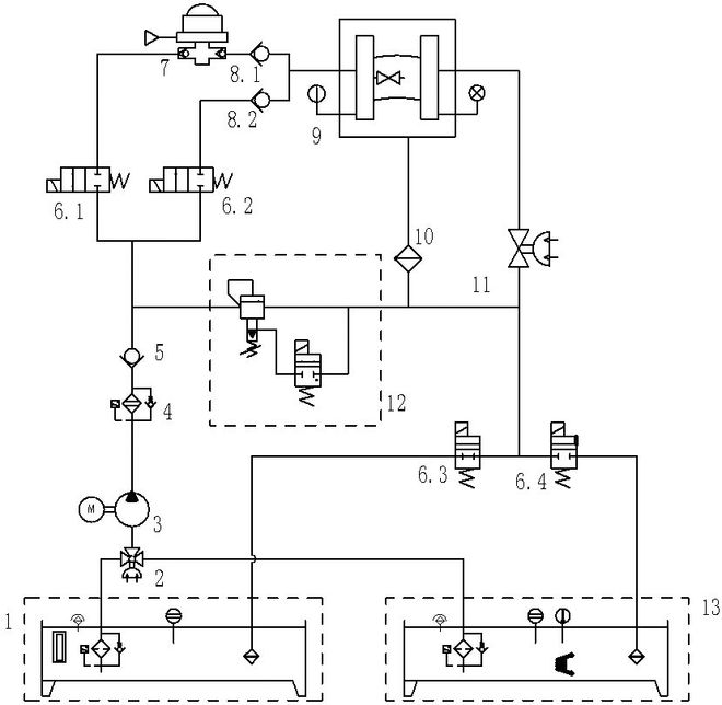
  系统组成:主要由加热油箱、常温油箱、高温齿轮泵、气驱液泵、电磁阀、高低温箱、电磁溢流阀、气动元器件及管路附件等组成。

Kaiyun体育网站:橡胶软管爆破压力试验机的设计与研制(图2)

Kaiyun体育网站:橡胶软管爆破压力试验机的设计与研制(图3)

  1-常温油箱组件 2-气动球阀 3-齿轮泵组件 4-压油滤 5-低压单向阀 6-高温电磁阀 7-气驱液泵

  8-高压单向阀 9-高低温试验箱 10-高温过滤器 11-气控针阀12-高温电磁溢流阀 13-高温油箱组件

  Kaiyun(开云)体育官方网站

  爆破试验系统采用齿轮泵组件快速充油,气驱液泵将被试件增压至爆破压力,通过调整气源压力,可实现升压速率的连续调节。

  试验前将被试件安装于高低温试验台工装上,气驱液泵以 140±35MPa/min的增压速率对系统进行增压,直至被试件破裂。被试件破裂后系统迅速停止,同时电磁阀打开,溢出油液经过滤器过滤后经电磁阀返回常温油箱。

  试验前将被试件安装于高低温试验箱工装上,调整高低温试验箱温度为180±6℃,高温油箱将试验液加温到180±6℃。气驱液泵将系统压力提升至工作压力,保压5min,然后以 140±35MPa/min 的增压速率对系统进行增压,直至被试件破裂。被试件破裂后系统迅速停止,同时电磁阀打开,溢出油液经过滤器过滤后经电磁阀返回高温油箱。

  如有橡胶软管爆破压力试验机选型疑问,可以访问“东莞环仪仪器”官网,咨询相关技术人员。

  特别声明:以上内容(如有图片或视频亦包括在内)为自媒体平台“网易号”用户上传并发布,本平台仅提供信息存储服务。

  特朗普关税奏效?美国贸易逆差创16年最低!中国也不再是美国最大的贸易逆差国?

  CCTV直播!国乒男单仅剩1人 陈幸同VS张本美和!张本智和爆冷?冠军赛10日赛程公布

  燃油车大败!12月SUV销量完整排名:Model Y断层领先,博越L第18

  升西部第11!哈登31+6快船大胜篮网 小卡26+5+5波特三分9中0

  纯电续航210km 海豹05DM-i/海豹06DM-i超享版加推新车型

  鲁苏豫皖“十市同城 惠游沂蒙”,临沂文旅冬季促消费(徐州)推介会成功举办