开云·Kaiyun(中国)官方网站-体育竞技领航者

Q946F电动四通球阀-开云Kaiyun中国体育官方入口
Q946F电动四通球阀
栏目:业界资讯 发布时间:2025-03-25
  您当前位置:网站首页 产品中心 球阀系列 Q946F电动四通球阀   电动四通球阀型号:Q946FQ946H电动四通球阀通径:150MM-60

  您当前位置:网站首页 产品中心 球阀系列 Q946F电动四通球阀

  电动四通球阀型号:Q946FQ946H电动四通球阀通径:150MM-600MM电动四通球阀使用压力:1.6MPA-4.0MPA 电动四通球阀连接方式:法兰连接电动四通球阀操作方式:电动电动四通球阀主要功能:起开关作用电动四通球阀使用介质:水.油品.蒸汽电动四通球阀材质:铸钢.不锈钢电动四通球阀标准:机械部标准或定做非标

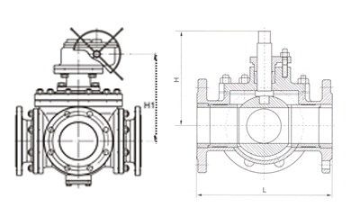
Q946F电动四通球阀(图1)

  球阀在石油、天然气、煤炭和矿石的开采、提炼加工和管道输送系统中;在化工产品、医药和食品生产种;在水电、火电和核电的电力生产系统中;在城市和工业企业的给排水、供热、和供气系统中;在农田的排灌系统中;在治金生产系统中得以广泛的应用,是一种与生产建设、国防建设和人民生活息息相关的重要机械产品。球阀密闭在各类管路系统种用于截断或接通介质流,使介质按照预定的程序输送到各个指定点。

  1、手动部分可采用钢板压制的手柄或不锈钢铸造的手柄。手柄设有限位结构,在阀门开启、关闭的位置设定限位,当阀门使用在关键装置上时,限位块上设有锁孔可锁定开关位置避免误操作。手柄上有明显地开和关标识。

  2、阀杆采用A182F(1Cr13)整体锻造并调制处理,硬度达到HB220~250。阀杆通过平键或花键或方契与手柄连接,通用性强,拆装方便。阀杆设有防吹出结构

  3、阀门的填料选用编结、柔性石墨密封圈或四氟烯密封圈,使得阀杆在一定的润滑情况下实现可靠的密封。

  4、根据需要,球阀可设计成防静电结构,在球体与阀杆、阀杆与阀体之间设置导电弹簧,避免静电打火点燃易燃物质,确保系统安全。

  5、密封副形式多样。根据不同工况可选用软密封、硬密封、防火阀座等结构;DN150以下为浮球形式,DN200以下为固定球形式。

  6、球阀阀座处可设置辅助密封结构,在阀座和阀杆部位加装注脂阀,紧急情况下可暂时密封,并可根据需要加长阀杆以适宜埋地铺设得场所

Q946F电动四通球阀(图2)

  1、流体阻力小:球体和阀体的连接管道截面相等,且球体通道采用圆弧连接,介质通过球体是,流体阻力小。

  2、密封性能好:阀座采用具有一定弹性变形和高强度的PTFE材料,达到良好密封性能保证了阀门的稳定性。

  3、使用寿命长:阀门的阀芯和光见颈材料采用奥氏不锈钢,阀座材料选用PTFE,能达到良好的抗腐蚀性作用,延长了阀门的使用寿命。

  如图所示“LL”型四通球阀只需操作扳手或执行器将球体转动90度,可同时对两种介质的流向进行切换,既方便又迅速,实现一阀多用的效果。

  1、手动部分可采用钢板压制的手柄或不锈钢铸造的手柄。手柄设有限位结构,在阀门开启、关闭的位置设定限位,当阀门使用在关键装置上时,限位块上设有锁孔可锁定开关位置避免误操作。手柄上有明显地开和关标识。

  2、阀杆采用A182F(1Cr13)整体锻造并调制处理,硬度达到HB220~250。阀杆通过平键或花键或方契与手柄连接,通用性强,拆装方便。阀杆设有防吹出结构。

  3、阀门的填料选用编结、柔性石墨密封圈或四氟烯密封圈,使得阀杆在一定的润滑情况下实现可靠的密封。

  Kaiyun(中国体育) 开云全站网页

  4、根据需要,球阀可设计成防静电结构,在球体与阀杆、阀杆与阀体之间设置导电弹簧,避免静电打火点燃易燃物质,确保系统安全。

  5、密封副形式多样。根据不同工况可选用软密封、硬密封、防火阀座等结构;DN150以下为浮球形式,DN200以下为固定球形式。

  6、球阀阀座处可设置辅助密封结构,在阀座和阀杆部位加装注脂阀,紧急情况下可暂时密封,并可根据需要加长阀杆以适宜埋地铺设得场所

Q946F电动四通球阀(图3)

  一、①电动四通球阀产品名称与型号②电动四通球阀口径③电动四通球阀是否带附件以便我们的为您正确选型④的使用压力⑤电动四通球阀的使用介质的温度。

  二、若已经由设计单位选定三精公司的电动四通球阀型号,请按电动四通球阀型号直接向我司销售部订购。

  三、当使用的场合非常重要或环境比较复杂时,请您尽量提供设计图纸和详细参数,由我们的三精公司专家为您审核把关。

  五、在交付设备时,本厂向需方交付以下资料:发货清单、产品合格证、产品样本、产品使用说明书、技术资料;

  1、根据使用场所、用途,且了解有关法规、规格、标准、方针、许用认可后既可选用适合各种要求的阀

  2、确认阀门的工作条件、使用规格、适用介质、对应材质、操作方式、工作压力、介质温度;

  4、确定与管道相连接方式:法兰式、内(外)螺纹式、焊接式、对夹式、卡箍式、卡套式等;

  5、确定阀门操作的驱动方式:手动、蜗轮蜗杆传动、气动、电动、液动、电磁动、电液动等;

  6、确认阀门的类型:球阀闸阀蝶阀截止阀止回阀调节阀电磁阀安全阀减压阀疏水阀针型阀角座阀隔膜阀、平衡阀、过滤器及其它特种阀;

  8、确定阀门壳体及内件的材料:碳钢、合金钢、不锈钢、球墨铸铁、灰铸铁、铜合金、铝合金、塑料等;

  11、特殊需要的阀门还应确定:结构长度、阀门高度、外型尺寸、流阻、排放能力、流量特性、防护等级、防爆性能等参数;